Schémata magnetofonů:
                           
                                                              

TESLA

(Tesla n.p.)

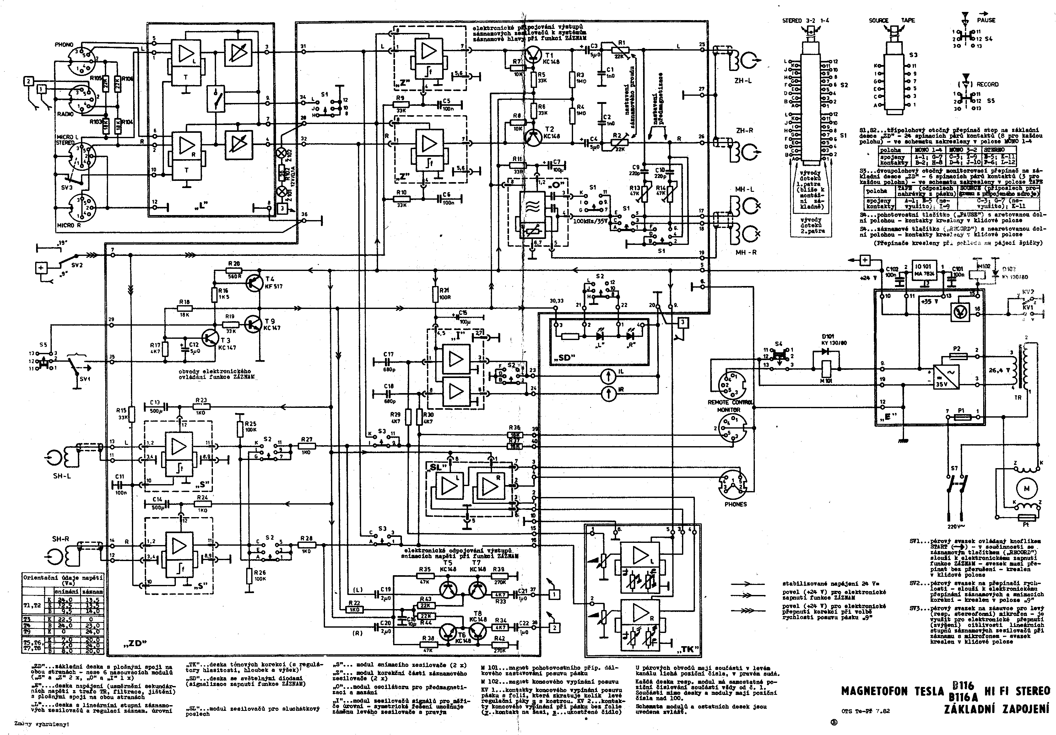
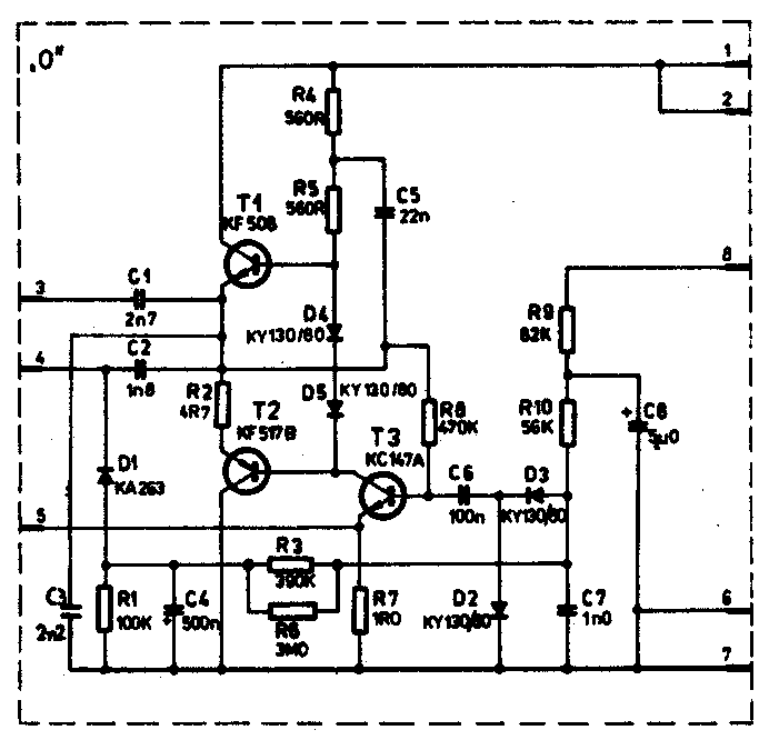
  1. Tapedeck B116 (r.v.1983) vzhled přístroje


legenda a vysvětlivky: str.1 str.2 str.3 str.4 str.5 str.6
zpět na rozcestí výrobců