Schémata zvukových filmových projektorů:
                           
                                                              

Meopta

(Meopta Přerov)

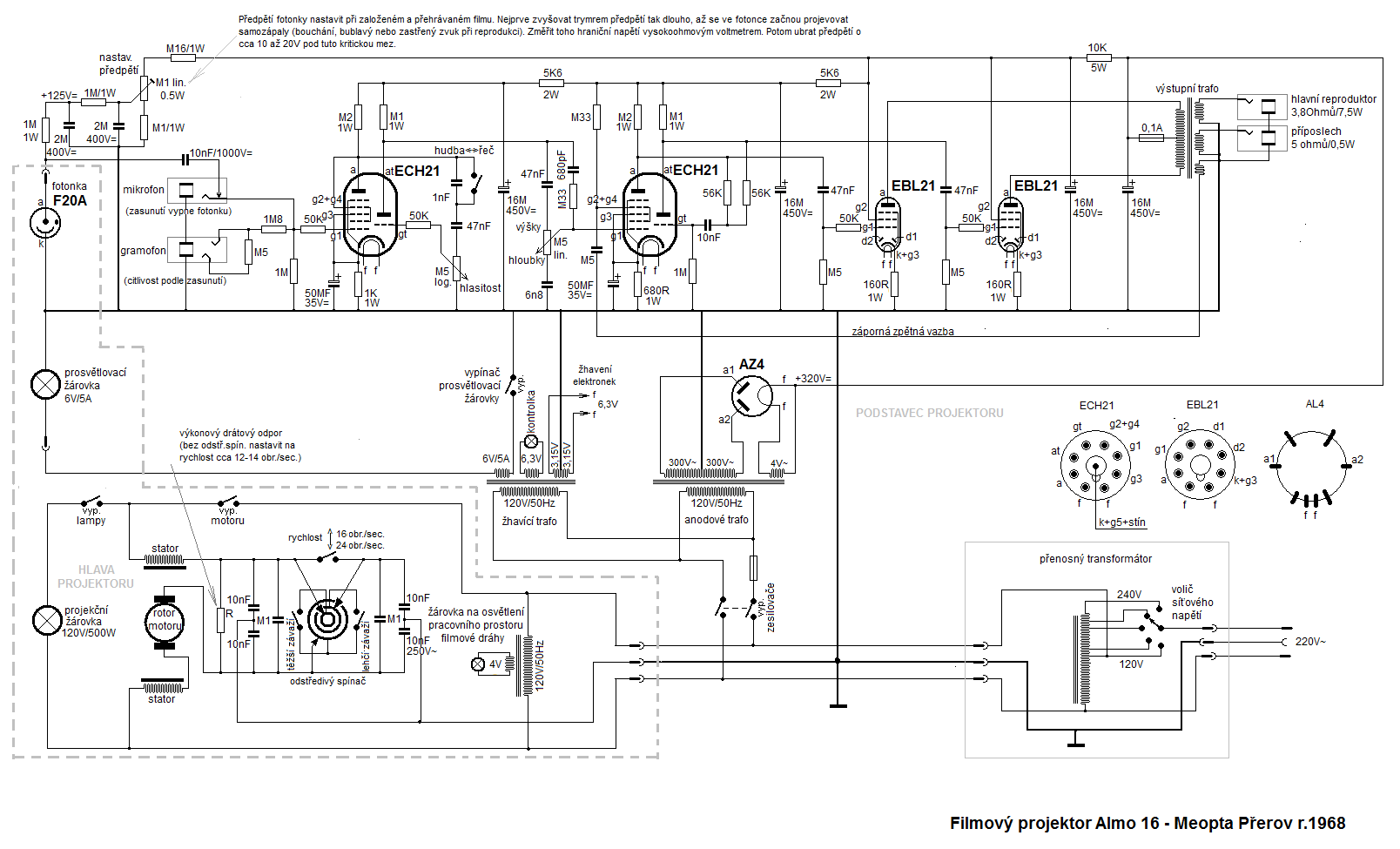
  1. Almo 16 (r.v. 1968)


legenda a vysvětlivky: str.1 str.2 str.3 str.4 str.5 str.6
zpět na rozcestí výrobců