Schémata historických zesilovačů a rozhlasových ústředen:
                           
                                                              

SIEMENS

(Siemens a.s. nadnárodní společnost)

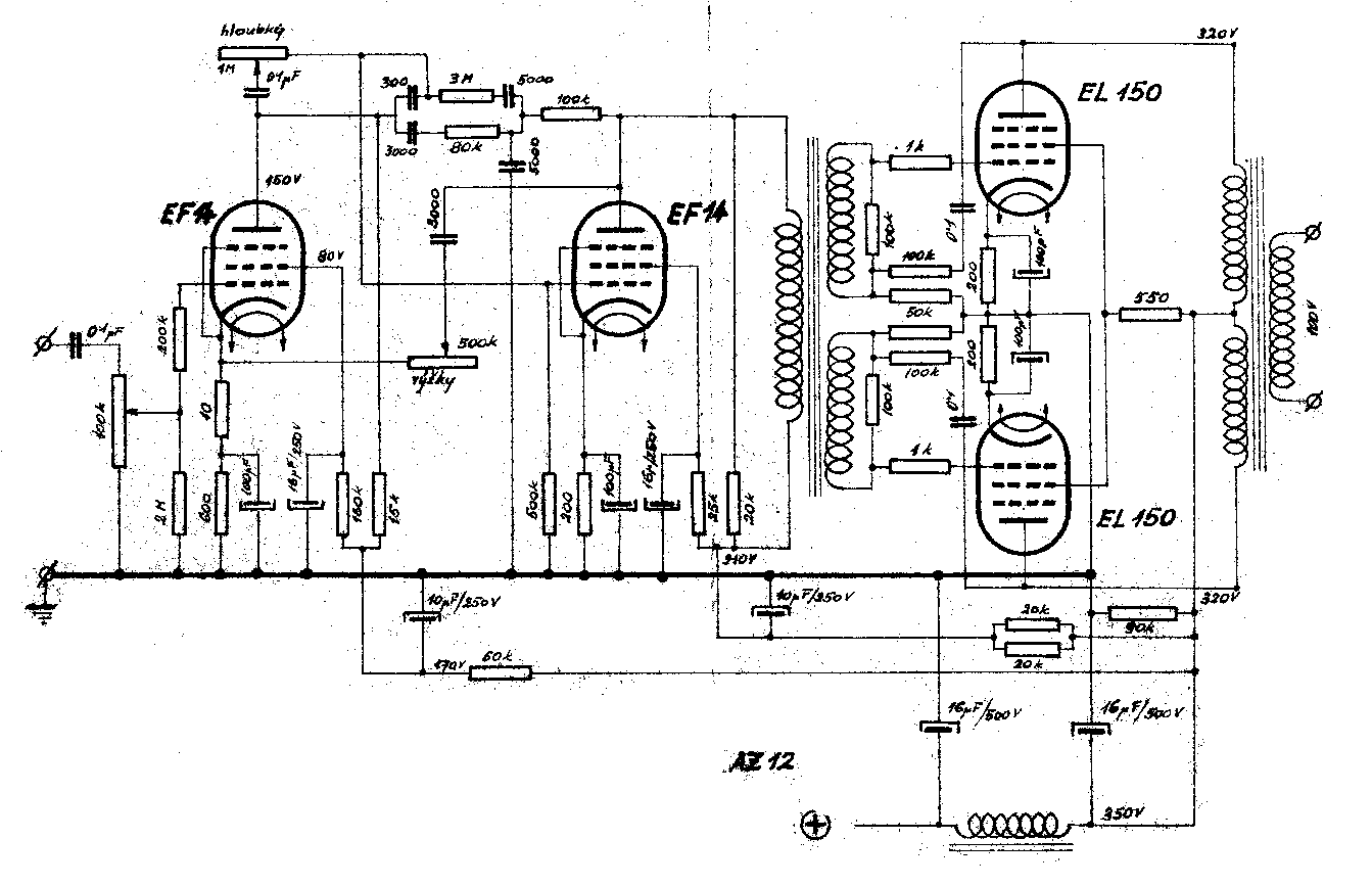
  1. Zesilovač 25W


legenda a vysvětlivky: str.1 str.2 str.3 str.4 str.5 str.6
zpět na rozcestí výrobců