Schémata historických zesilovačů:
                           
                                                              

TESLA

(Tesla n.p. Brno, Bratislava, Kolín, Pardubice, Praha)

  1. Zesilovač KZ25 - 513034 (r.v.1954) vzhled přístroje
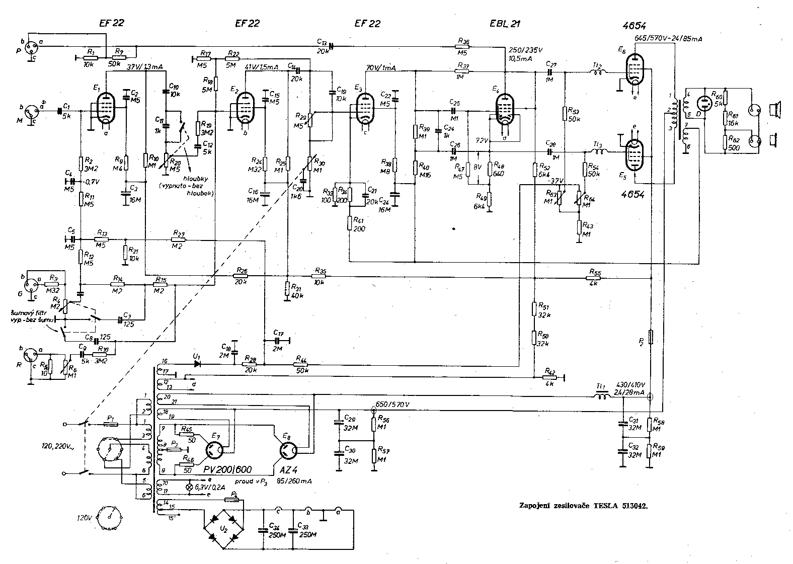
  2. Zesilovač KZ50 - 513042 (r.v.1958) vzhled přístroje
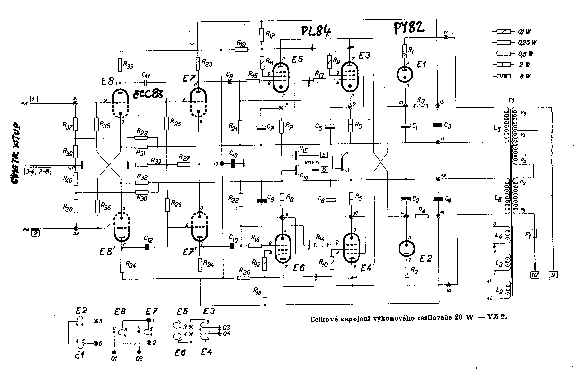
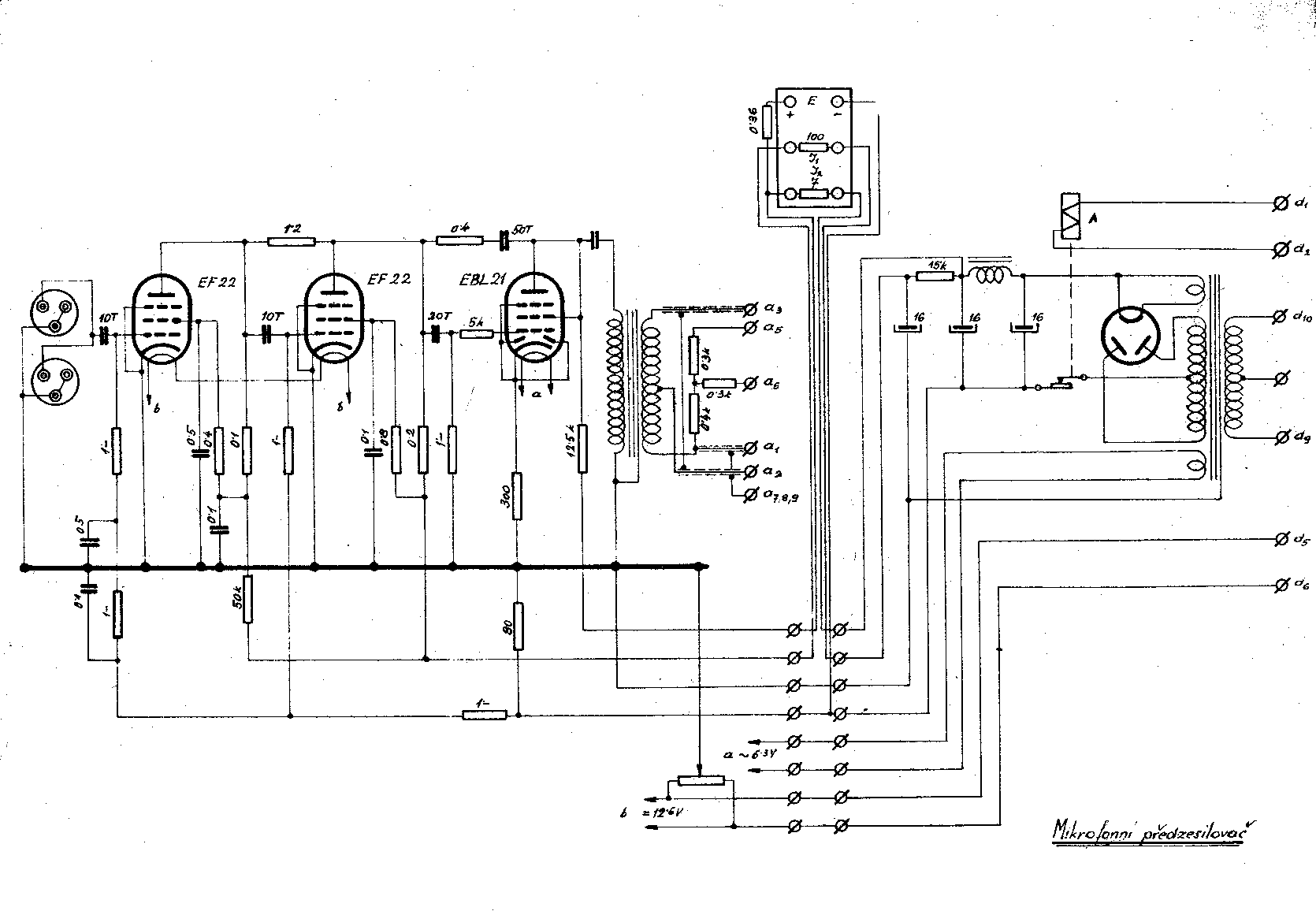
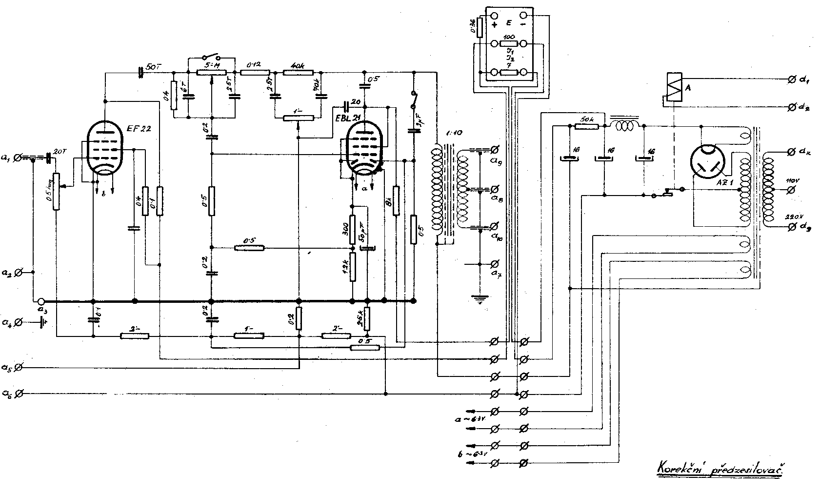
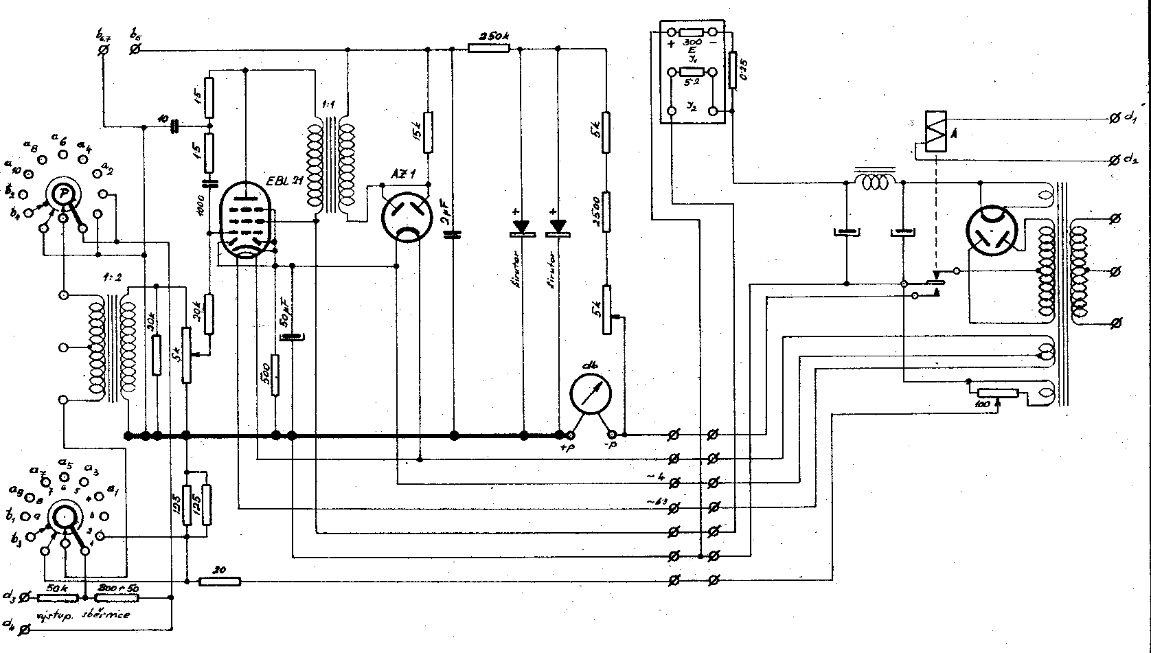
  3. Zesilovač VZ2 (Williamsonův) (r.v.1957) vzhled přístroje pohled na přístroj z druhé strany pohled pod plošný spoj

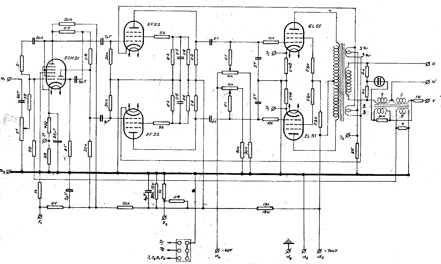
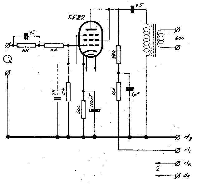
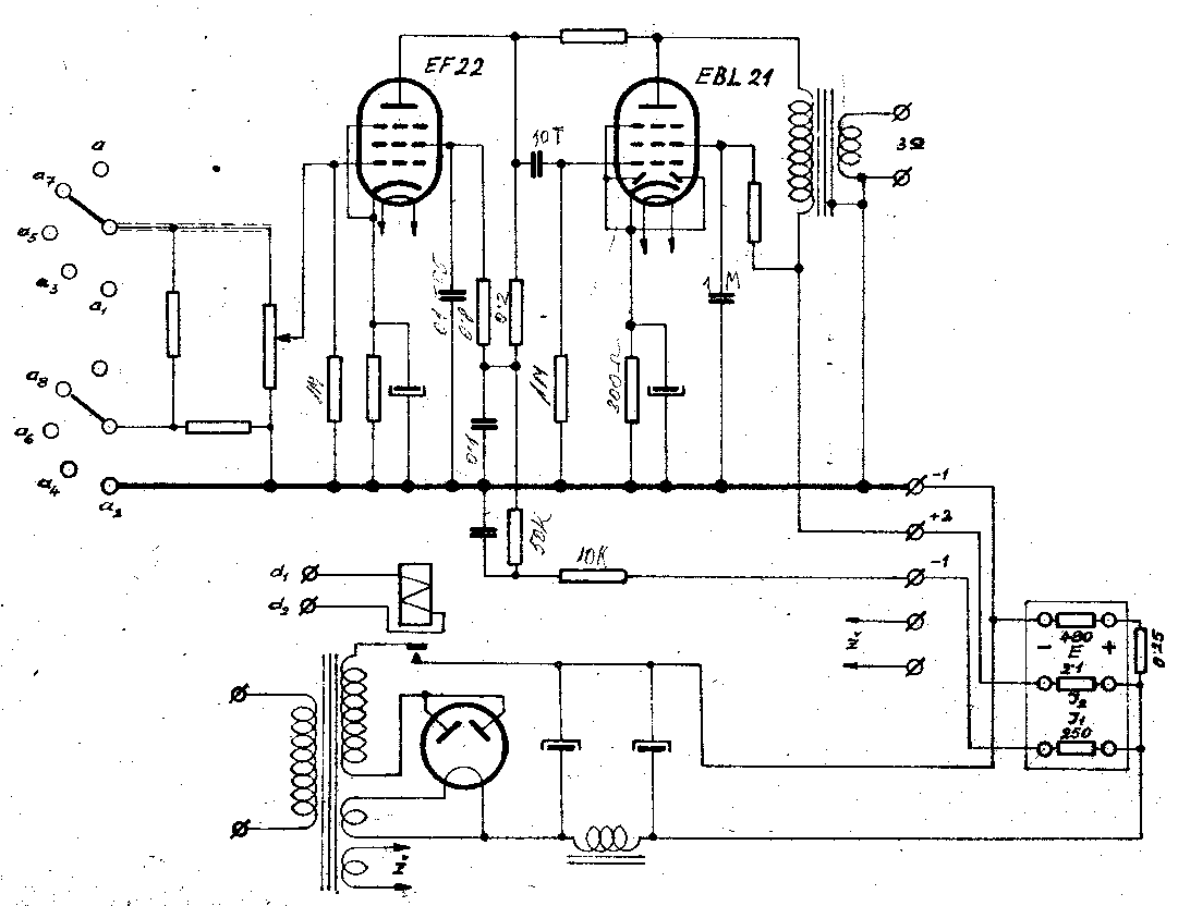
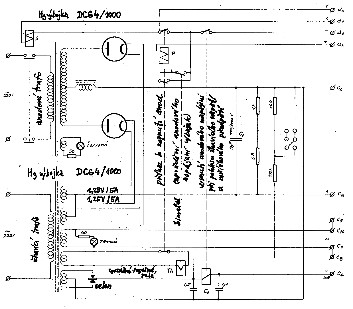
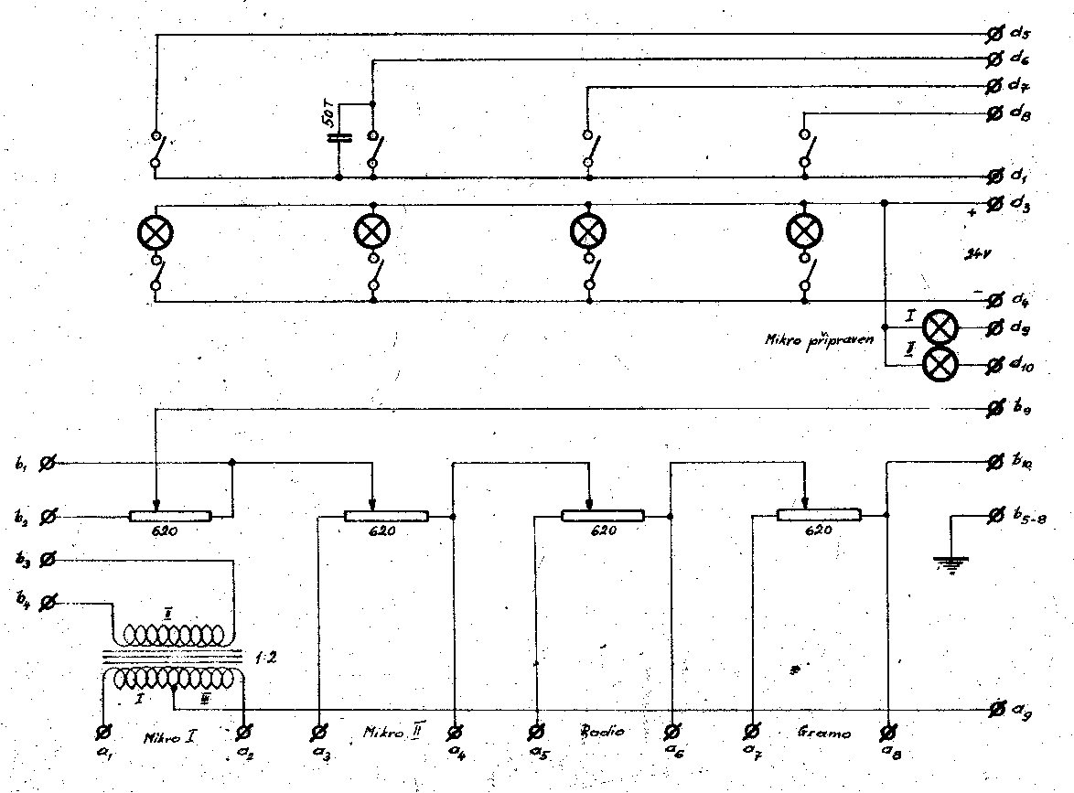
  4. Rozhlasová ústředna 75W pro 100V rozvod:

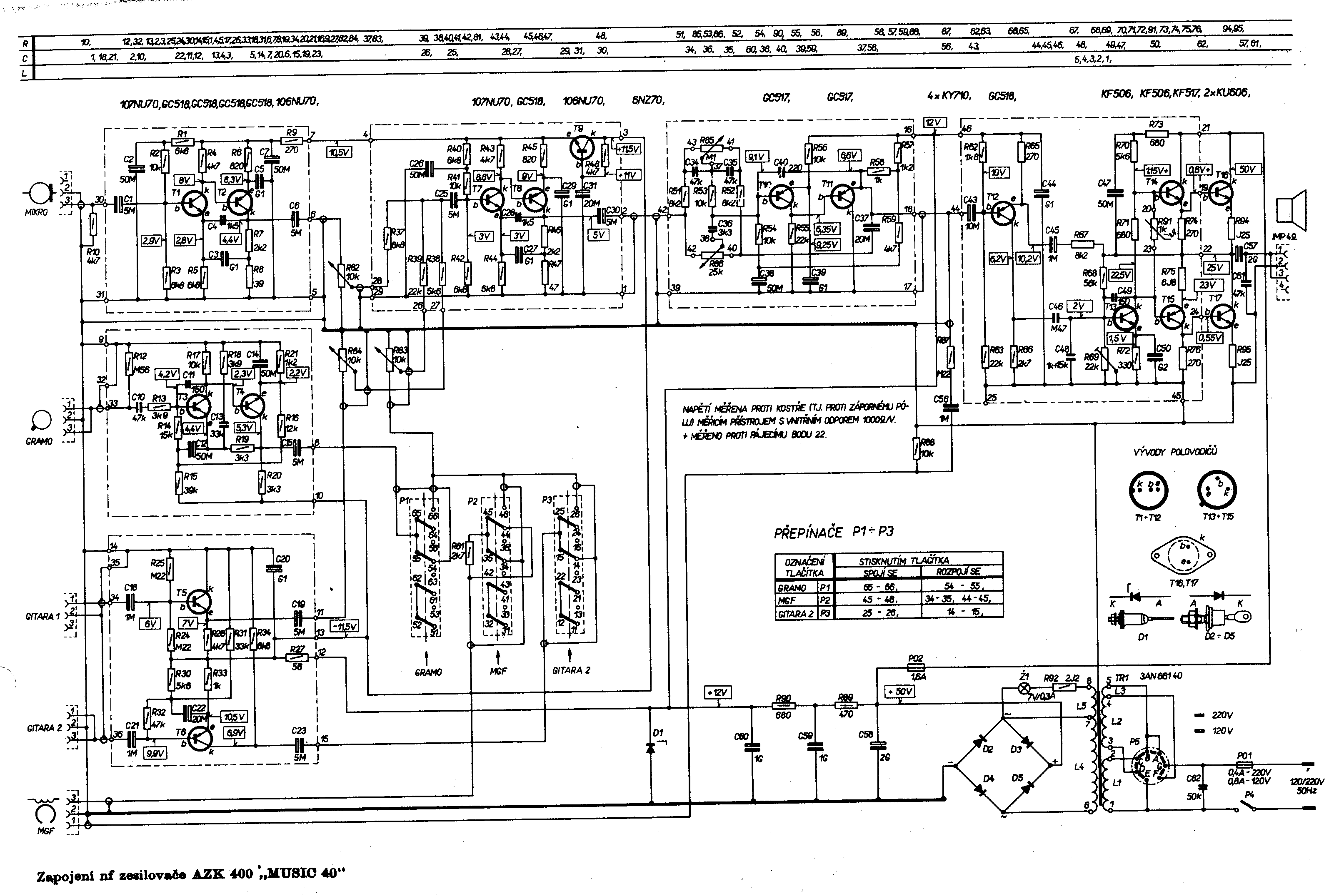
  5. AKZ400-"Music 40"
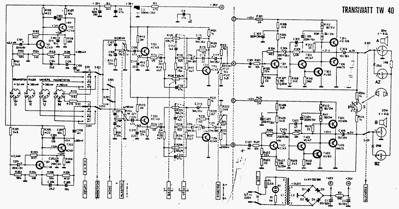
  6. Transiwatt TW40 stereo


legenda a vysvětlivky: str.1 str.2 str.3 str.4 str.5 str.6
zpět na rozcestí výrobců